|
Online seit Februar 2009
|
Bastelanleitung Hygrometer oder
Luftfeuchtigkeitsmessung
mit dem Controller "PIC16F1827" und Digitalem
Sensor "DHT22 bzw. AM2302"
Ich habe einen Aufbau
für Innen
und einen anderen Aufbau
für Aussen
aufgebaut !
|
|

Fertiges
Luft-Feuchtigkeits-Messgerät
für innen mit DOGM Display
Hier kann man natürlich auch den
Sensor für Aussen anschliessen !!!
Bei der Maßeinheit von der
Luftfeuchtigkeit wurde "rF" -relative
Feuchtigkeit in Prozent im Gerät genommen. Dies ist die
Deutsche Bezeichnung.
In Englisch gibt man es in
"RH" -Relative Humidity in Prozent an.
Es gibt keine weltweite Standard Bezeichnung für die
Luftfeuchtigkeit.
Genaueres kann man unter
wikipedia nachlesen : (Klick
hier)
Unterhalb der eingesetzte Sensor
DHT22 bzw. AM2302 Die Verkaufs-Seite von Reichelt (Klick
hier) oder (Hier)
.
Fertiges
Luft-Feuchtigkeits-Messgerät von der Rückseite
für innen mit DOGM Display.
Hier kann man natürlich auch den
Sensor für Aussen anschliessen !!! |
Bastel-Anleitungs-Download hier: "Hygrometer.zip" (ca.5,8Mbyte)
Kurzbeschreibung für
den Innenaufbau und für Aussen :
Eigentlich unterscheidet es sich nur von dem
Display-Typ (DOGM oder DOT). Beide Display-Typen liegen der
Bastel-Anleitung bei. Man kann dann selbst entscheiden,
welchen man für innen oder aussen nimmt.
Nach dem Einschalten des Gerätes
steht für 30sec die Auschrift: "Geht gleich los" . Dann erscheint der
gemessene Wert in der Anzeige.
Eine Messung erfolgt aller 30sec.
Betätigt
man den Taster, wechselt es immer zwischen Temperatur- und
Luftfeuchtigkeits-Anzeige. Die Einstellung merkt sich der
Controller. Bei NEU-Einschalten erscheint das Gleiche, wie
beim Aus-Schalten.
Bei jeder Messung (aller 30sec) blitzt ein
Punkt für 5sec rechts unten in der Anzeige auf. Man weis somit, es
wird gemessen, auch wenn sich das Messergebnis nicht
verändern sollte.
Sollte aber rechts unten in der
Anzeige ein Semikolon erscheinen, ist ein Fehler bei der
Messung aufgetreten. Aller 10sec versucht dann der
Controller erneut eine Messung durch zuführen. Beim
erneuten Versuch verschwindet das Semikolon für 1sec. Wenn
also laufend Fehler auftreten, blinkt die Semikolon-Anzeige
rechts unten in der Anzeige. Dies kann man kontrollieren,
in dem man keinen Sensor anschliesst.
Treten dennoch
Fehler bei angeschlossenem Sensor auf, muss man die
Impuls-Zeiten im ASM-Programm ändern. Das Ändern ist
eigentlich leicht. Am Anfang vom Prg.-File kann man Zahlen
ändern. Es wird alles in der Bastel-Anleitung
beschrieben...
Ich kann aber
fast garantieren
: Es müßte jetzt mit diesen Einstellungen
für jeden DHT22 Sensor funktionieren. Bei zwei
Unterschiedlichen von Reichelt und Amazon hatte ich keine
Probleme.
|
|
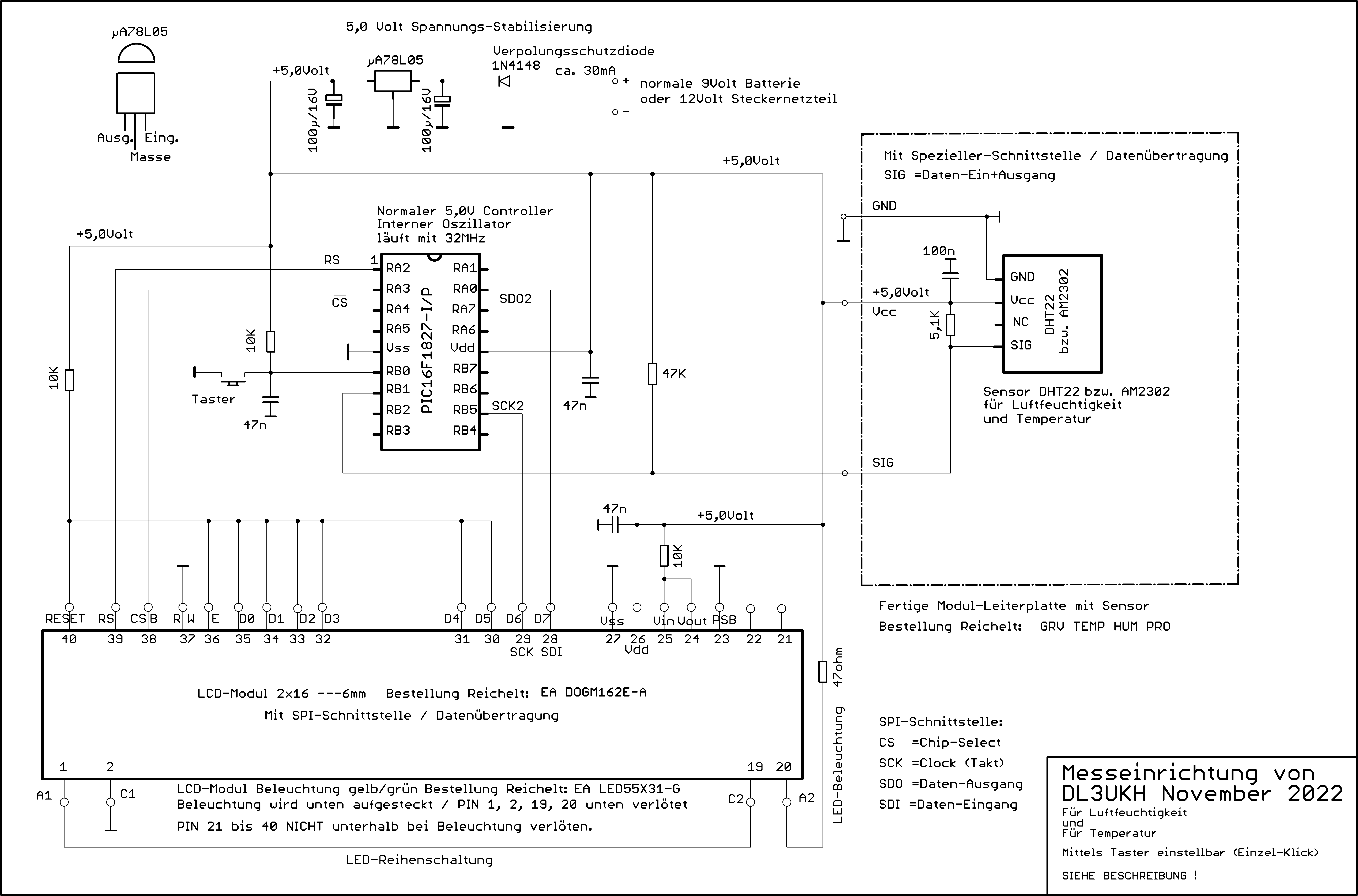
Klick auf den Stromlaufplan und er
erscheint größer !

Im Datenblatt steht, das die Messleitung bis zu 20 Metern
lang sein darf. Dies gilt bei einer Speisespannung von
5Volt, wie es hier beim Sensor verwendet wird.
Somit
ist April 2026 auch ein Luftdruckmess-Gerät für Aussen
entstanden.
Und noch ein Grund war:
Bei der Innen-Messung verändert sich der Luftfeuchtigkeitswert
nur geringfügig. Immer zwischen ca. 30 bis 40% rF hatte ich
im Zimmer gemessen.
|
Hier unterhalb der Aufbau für Aussen

Fertiges
Luft-Feuchtigkeits-Messgerät
für aussen mit DOT Display Auch hier
könnte man den Sensor für Innen anschliessen !!! |

Zwei Schutz-Kappen für die
Luft-Feuchtigkeit und für die Temperatur Die Temperatur-Messung
erfolgte hier mit einem besseren DS18B20 Sensor. Siehe "4
Basteleien mit nur einem Aufbau" (Klick
hier) |
 |
 |
Für beide Displays (DOGM und DOT) liegt dem Bastel-Download die
entsprechende Software bei, sowie der wenig geänderte
Stromlaufplan.
Im Bastel-Download oben findet man also den
Stromlaufplan,
Bestückungsplan, Leiterplatten-Zeichnung,
Stückliste, Fotos, Beschreibung, Datenblatt
und die PIC-Software...
Meine PIC-Software muss in
den gekauften Rohling PIC16F1827 gebrannt werden.
Man braucht einen Brenner...
Bauelemente-Kosten grob (ca.) :
Sensor DHT22 von Reichelt 10.-€
2x16 Zeichen DOGM Display 15.-€
Restliche Bauelemente 5.-€
Makrolon-Gehäuse-Platte 10.-€
Ohne Geätzte Leiterplatte (selbst gemacht)
Gesamt: ca. 40.-€
|
|